YTSC型动态⽆功调节器
一、概述
YTSC型动态无功调节器是一种新型的可控硅控制电容投切开关,即YS动态投切开关。具有电压过零时刻投入,不产生涌流;电流过零时刻切除,不产生高压;谐波导通,不产生谐波,无声运行,是替代交流接触器的一种新型开关。YTSC系列动态无功调节器集成了晶闸管触发板、散热器、轴流风机、温度控制、接线端子等器件,用户只需上端接电源,下端接电容,二次接线端控制器信号及零线,便可使用。接线简洁方便,用于快速动态补偿电容器投切。EFT群脉冲抗干扰可达4000V的A级(国际电工标准最高级),功能完备。
二、技术参数

三、产品选型
1、型号定义

2、开关型号与电容器容量对照表

四、外型尺寸

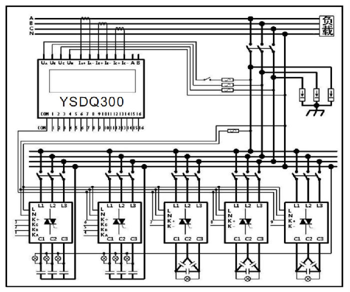
五、接线原理图
图示为分补+共补混合接线原理图,全共补和全分补请参考此图接线
