⼀体式智能电容产品简介
一、概述
我司生产的智能电容为模块化结构,体积小,现场接线简单,维护方便、实现标准化生产。将主要部件微断,投切开关,电容器等合为一体。替代了由熔丝(或微断),晶闸管复合开关(或接触器、热继)、指示灯、低压电容器等多种分散组装而成的自动无功补偿装置。改变了现有无功补偿柜的结构模式,提高了设备的可靠性及使用寿命,具有结构简洁、生产简易、提高性能、成本降低、维护简便的全新模式。
二、产品特点
产品设计完全做到过零投切:零电压投入,零电流切除。无涌流,无燃弧现象。既可三相补偿,也可三相和分相混合补偿,具有过压,欠压,缺相,谐波保护、485通讯等功能
三、型号说明

四、结构说明
二次回路均采用可靠的拔插式设计,在成套厂生产时,只需要把智能电容安装固定,从柜内刀熔开关下端引岀母线接入一次端口,二次排线安插到位,智能电容与控制器形成投切系统。避免了复杂的二次线路,利于标准化生产,降低了生产环节故障及人工成本。维修方便,拆装简单。
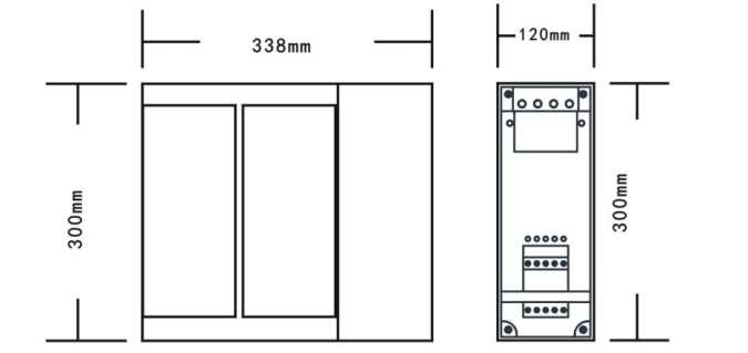
五、外形结构尺寸

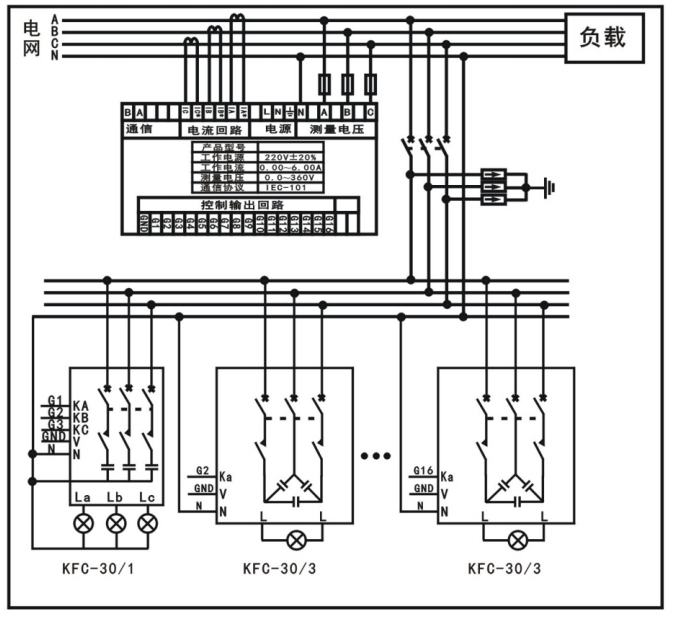
六、系统接线图

七、经济效益分析
传统的电容柜,以一回路30Kvar的电容器为例:微断、投切开关、电容器采购成本(500元以上),一二次线、辅料及人工安装工时成本(200元以上),而且导致工时廷长,采用我司生产的一体式智能电容。一台10回路的电容补偿柜用我司生产的一体式智能电容可为客户省去600-100元成本。产品配套的排插式的排线连接方式,从而为广大客户大幅度提高了生产效率,降低生产成本,贏得了客户的一致好评。